- 雷电竞官网登录
- Power Management
- rayapp
- L竞技
- Sensors
- 灯光
- Custom Mixed-Signal ICs (ASICs)
- Power Conversion
- Power Switching
- Memory
- Silicon IP
- GreenPAK Configurable Mixed-Signal
- 定时
- Communications
- IO-Link.
- Industrial and Automotive ASICs
- Industrial Edge Computing
- IzoT Commissioning Tool (CT)
- IzoT Net Server
- IzoT SDK 2
- izot shortstack sdk.
- LNS DDE Server
- LON Upgrade
- LonScanner FX Protocol Analyzer
- 智能边缘平台
- SmartServer IoT
- SmartServer IoT™合作伙伴计划
- SmartServer™ IoT Edge Server
- U10 USB网络接口
- U20 USB Network Interface
- U60 DIN USB Expansion Modules
- U60 FT USB网络接口模块
- U70 PL-20 USB Network Interface
- Current Control
- Motor Control
- Display
- Modules
- 长寿计划
- Product Selector
- Document Search
- 雷竞技安卓下载
- Application Solution Diagrams
- Smart Lighting
- Wearables
- Configurable Mixed-signal IC Solutions
- Smart Home
- Home Appliances
- 联网
- Automotive
- Industrial
- Smart Meters
- SOC PMIC解决方案
- Communications
- Connected Medical
- Transportation
- Application Solution Diagrams
- Support
- 雷电竞下载app
You are here
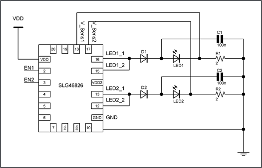
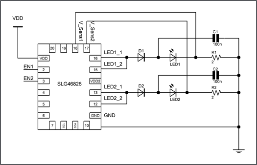
恒流LED驱动器
恒流LED驱动器
Pulse-based Control Application
LED drivers provide and regulate the current to LEDs. They keep the power at safe levels to prevent burnout/thermal runaway.
Ingredients
- 任何GreenPak
- 四个电容器
- 四个二极管(2个LED,2个硅二极管)
- 两个电阻
GreenPak图

Design Steps
- 配置两个ACMP,每个ACMPIN- sourceset to the desired threshold.
- Configure LUTs to enable the LED outputs.
- 将LED1_1和LED1_2连接到硅二极管的阳极并将硅二极管的阴极连接到LED的阳极。
- Connect a resistor between the cathode of the LED and ground.
- 连接LED和地面的阳极之间的电容。
- 重复LED2输出的步骤3-5
- Connect V_SENSE1 and V_SENSE2 to the cathode of LED1 and LED2 respectively.
资源
GreenPak设计师文件
- 恒流LED驱动器GP(4.46 kB)