- 雷电竞官网登录
- Power Management
- rayapp
- L竞技
- Sensors
- 灯光
- Custom Mixed-Signal ICs (ASICs)
- Power Conversion
- Power Switching
- Memory
- Silicon IP
- GreenPAK Configurable Mixed-Signal
- 定时
- Communications
- IO-Link.
- Industrial and Automotive ASICs
- Industrial Edge Computing
- IOX扩展模块
- IzoT Commissioning Tool (CT)
- IzoT Net Server
- IzoT SDK 2
- izot shortstack sdk.
- LNS DDE Server
- LON Upgrade
- LonScanner FX Protocol Analyzer
- 智能边缘平台
- SmartServer IoT
- SmartServer IoT™合作伙伴计划
- SmartServer™ IoT Edge Server
- U10 USB网络接口
- U20 USB Network Interface
- U60 DIN USB Expansion Modules
- U60 FT USB网络接口模块
- U70 PL-20 USB Network Interface
- Current Control
- Motor Control
- Display
- Modules
- 长寿计划
- Product Selector
- Document Search
- 雷竞技安卓下载
- Application Solution Diagrams
- Smart Lighting
- Wearables
- Configurable Mixed-signal IC Solutions
- Smart Home
- Home Appliances
- 联网
- Automotive
- Industrial
- Smart Meters
- SOC PMIC解决方案
- Communications
- Connected Medical
- Transportation
- Application Solution Diagrams
- Support
- 雷电竞下载app
You are here
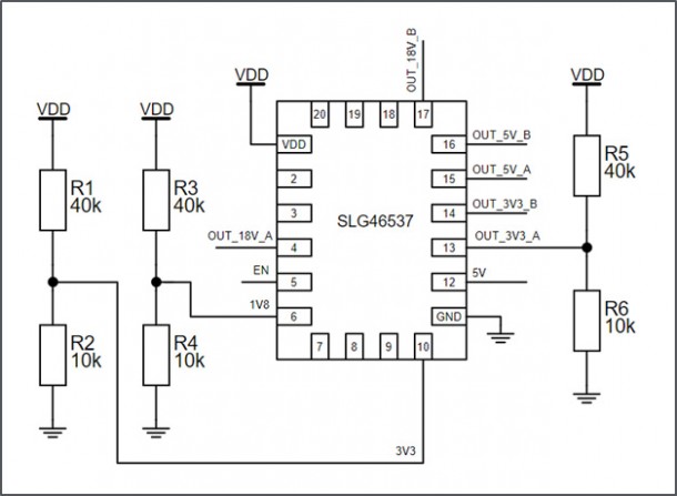
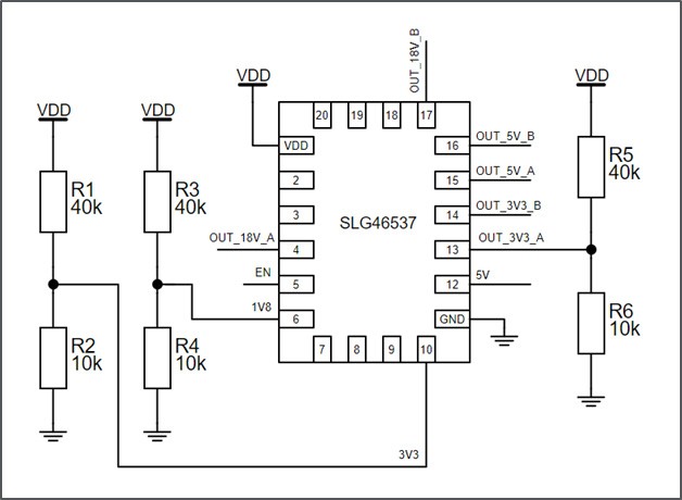
Up-down Sequencer with ACMPs
Up-down Sequencer with ACMPs
定时功能技术
电源序列器用于在步骤之间使用指定的时间间隔上电和关闭外部设备。当具有不同电源电压的多个半导体器件在一个板上或多个设备连接时,可以使用它们。
Necessary Components
- Any GreenPAK
- Six resistors
GreenPak图

Design Steps
- 配置EN和电压监视的输入引脚。
- 将输出引脚配置为序列系统。
- Power on ACMPs, connecting POR toPWR UPand configure the在-每个具有所需电压阈值水平的源。
- Configure DLYs with the desired delay times.
- Configure LUTs with the proper logic functions.

资源
GreenPAK Designer files
- Up-down Sequencer with ACMPs GP(5.45 KB)