IW657P.

IW657P.

USB电源传递3.0接口控制器,具有集成电流意义

一支工程师组织准备回答你的问题

支持USB电力交付3.0,Qualcomm®快速充电™4+,直接充电适配器

IW657P USB电源输送(USB PD)3.0接口控制器位于AC / DC电源的次级侧,并管理电源适配器和移动设备之间的通信。

IW657P与对话框合作(IW1791.IW1797.IW1799速度初级侧控制器并支持快速充电协议,包括USB PD 3.0,Qualcomm快速充电4+和直接充电。它通过光电耦合器将所有必要的信息传输到初级侧,包括电压请求,输出电流限制,输出电压下划线,输出过电压和故障和复位信号。它还提供可选的二次侧电流检测电路,以提供额外的过负载故障保护。

IW657P也适用于对话框IW676.同步整流器,无需平行肖特基二极管,以获得更高的效率和更低的BOM成本。

Qualcomm®QuickCharmet™是Qualcomm Technologies,Inc。的产品

特征

  • 支持多个速克协议:
    • USB PD 3.0 PPS(可编程电源)
    • Qualcomm®QuickCharm™4+
    • 直信
    • 其他速克协议
  • USB-IF PD 3.0认证(USB PD 3.0 + PPS)
  • 兼容USB Type-C™Rev. 1.2
  • 支持宽输出电压范围为3.3至21V
  • NMOS VBUS开关降低了系统成本
  • VCONN支持智能电缆
  • 集成电流意义
  • 用于所有快速充电信息的单个光耦合器
  • 低载电功耗<20MW
  • 高效率高达90%

特征

  • 双层电缆保护:
    • 二次侧(IW657P):D + / D- / CC1 / CC2过压保护;用于过负载故障保护的可选的二次侧电流检测电路
    • 小侧(IW1791.IW1797.IW1799):高级电缆故障保护可降低故障的平均输出功率
  • 自动交流闭塞检测
    • 如果充电器未插入充电器,请通过高压曝光导致的手机电池免受损坏。然后用充电电缆重新插入电源仍然连接

雷竞技安卓下载

  • USB PD 3.0 AC / DC电源适配器,适用于智能手机,平板电脑,笔记本电脑和其他移动设备
  • USB PD 3.0电源适用于机顶盒,显示器,扬声器
  • USB PD 3.0内壁插座
  • 带USB PD 3.0端口的灯具和​​照明灯具

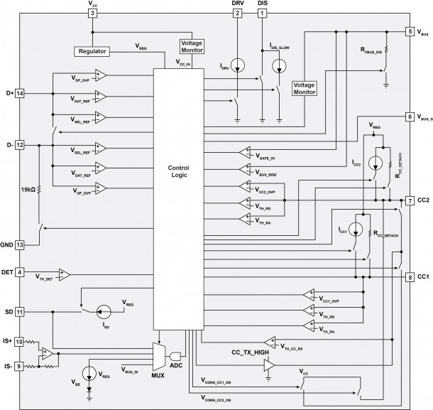
框图

IW657P功能框图
IW1791 / IW657P典型应用图雷竞技安卓下载

IW1797 / IW657P典型应用图雷竞技安卓下载
IW1799 / IW657P典型应用图雷竞技安卓下载

资源

产品简介和摘要
日期 版本
IW657P产品摘要 02/11/2020 Rev. 1.1

有关如何购买的技术支持或信息,请直接与我们联系。

请求样本联系我们注册时事通讯

需要技术帮助吗?

访问我们的支持网站:

  • 在线获取对话专家的帮助。
  • 搜索论坛。
  • 访问软件,驱动程序,工具和实用程序。